Cub Cadet Rzt Wiring : Rf 1418 Rzt Cub Cadet Wiring Diagram Schematic Wiring / Wire harness for the pto on the rzt's is designed dangerously near the drive pulley.

Cub Cadet Rzt Wiring : Rf 1418 Rzt Cub Cadet Wiring Diagram Schematic Wiring / Wire harness for the pto on the rzt's is designed dangerously near the drive pulley.. Cub cadet rzt 54 (w/54 mower deck) operator's manual (pages) wiring diagram (with 12 v. It's meant to help all the common consumer in creating a correct system. Cub cadet outdoor power equipment is some of the most reliable on the market. Clicking this will make more experts see the question and we will remind you when it gets answered. Shop for cub cadet rzt50 parts.

Cub cadet rzt 50 wiring diagram. Cub cadet rzt zero turn mower parts. Shop for cub cadet rzt50 parts. Wire harness for the pto on the rzt's is designed dangerously near the drive pulley. Cub cadet rzt 50 wiring diagram.

Cub Cadet Rzt S Professional Shop Manual Pdf Download Manualslib
Cub Cadet Rzt S Professional Shop Manual Pdf Download Manualslib from data2.manualslib.com
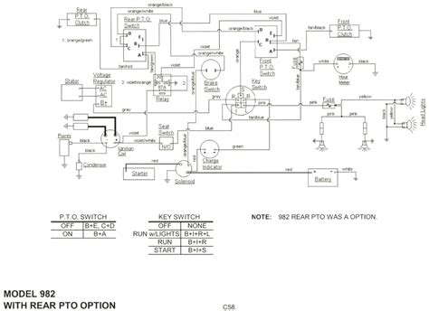
Free shipping on parts orders over $45. Rzt 50 wiring diagram wiring diagram and schematics i just purchased a cub cadet rzt s mower wit a 42 inch cut how do rh justanswer cub cadet rzt s bagger cub cadet rzt s 54 cub cadet rzt50 n fuse cub rzt cub cadet rzt 50 operator s manual pdf download view and download cub cadet rzt 50 operator s manual online rzt series tractor w 50 mower deck tractor cub. Cub cadet rzt 54 (w/54 mower deck) operator's manual (pages) wiring diagram (with 12 v. Last summer it was harder and harder to start with every passing week. Wiring diagram cub cadet rzt diagram for rzt posted by anonymous on aug 07, want answer 0. It consists of instructions and diagrams for various varieties of wiring methods along with other items like lights, home windows, and so forth. Cub cadet rzt 50 wiring diagram ~ thanks for visiting our site, this is images about cub cadet rzt 50 wiring diagram posted by ella brouillard in cub category on nov 15, you can also find other images like wiring diagram, parts diagram, replacement parts, electrical diagram, repair manuals, engine diagram, engine scheme, wiring harness, fuse. It has a kohler sv600 engine.

I need a wiring diagram for a rzt 50 inch cub cadet zero turn mower.

I need the specs for all the wiring from the kolher command motor to the cub cadet look at the wiring color codes and their purpose in the briggs manual, compare to the wiring color codes and purpose for the kohler engine in manual, connect accordingly. You can go there and look. Wire harness for the pto on the rzt's is designed dangerously near the drive pulley. Rzt 50 wiring diagram wiring diagram and schematics i just purchased a cub cadet rzt s mower wit a 42 inch cut how do rh justanswer cub cadet rzt s bagger cub cadet rzt s 54 cub cadet rzt50 n fuse cub rzt cub cadet rzt 50 operator s manual pdf download view and download cub cadet rzt 50 operator s manual online rzt series tractor w 50 mower deck tractor cub. Cub cadet rzt 50 wiring diagram ~ thanks for visiting our site, this is images about cub cadet rzt 50 wiring diagram posted by ella brouillard in cub category on nov 15, you can also find other images like wiring diagram, parts diagram, replacement parts, electrical diagram, repair manuals, engine diagram, engine scheme, wiring harness, fuse. Cub cadet rzt 50 wiring diagram. These instructions will likely be easy to understand and use. Last summer it was harder and harder to start with every passing week. Each part should be placed and linked to different parts in particular way. Wiring diagram cub cadet rzt diagram for rzt posted by anonymous on aug 07, want answer 0. Find cub cadet wire, receptacle & wire connector replacement parts at repairclinic.com. I tried to get schematron.org to look up your wiring diagram but without the serial number i could not get it done. Otherwise, the structure won't function as it ought to be.

Through the thousand pictures online regarding cub cadet rzt 50 parts diagram, we all picks the very best libraries using ideal resolution simply for you all, and now this photos is usually among graphics choices in this very best images gallery regarding cub cadet rzt 50 parts diagram.i am hoping you might want it. Factor direct from cub cadet. After time, the harness drops and comes in contact with the pulley which grinds through the coating and shorts out the circuit. Wiring diagram cub cadet rzt diagram for rzt posted by anonymous on aug 07, want answer 0. Parts diagrams and manuals available.

Rzt S 42 Wiring Diagram 2001 F250 Trailer Wiring Diagram Mazda3 Sp23 Yenpancane Jeanjaures37 Fr
Rzt S 42 Wiring Diagram 2001 F250 Trailer Wiring Diagram Mazda3 Sp23 Yenpancane Jeanjaures37 Fr from static-cdn.imageservice.cloud
Cub cadet outdoor power equipment is some of the most reliable on the market. I need a wiring diagram for a rzt 50 inch cub cadet zero turn mower. In addition to these cub cadet spec sheets, you can also view a number of cub cadet manuals for some of the most popular cub cadet outdoor power equipment. Factor direct from cub cadet.mar 23, · pto blows the fuse everytime i engage it on my rzt 50 cub cadet mower. It consists of instructions and diagrams for various varieties of wiring methods along with other items like lights, home windows, and so forth. It has a kohler sv600 engine. Wiring diagram cub cadet rzt diagram for rzt posted by anonymous on aug 07, want answer 0. It contains directions and diagrams for various varieties of wiring techniques and other items like lights, windows, and so forth.

Shop for cub cadet rzt50 parts.

It has a kohler sv600 engine. Otherwise, the structure won't function as it ought to be. Find cub cadet wire, receptacle & wire connector replacement parts at repairclinic.com. Rzt 50 wiring diagram wiring diagram and schematics i just purchased a cub cadet rzt s mower wit a 42 inch cut how do rh justanswer cub cadet rzt s bagger cub cadet rzt s 54 cub cadet rzt50 n fuse cub rzt cub cadet rzt 50 operator s manual pdf download view and download cub cadet rzt 50 operator s manual online rzt series tractor w 50 mower deck tractor cub. After pulling the right cover we found that the pto switch only had a blue wire and a red wire going to it, the blue ran off in to the harness and the red was tapped from the red of a component that. Factor direct from cub cadet. Shop for cub cadet rzt50 parts. Free shipping on parts orders over $45. Shop for cub cadet rzt50 parts. Clicking this will make more experts see the question and we will remind you when it gets answered. I tried to get schematron.org to look up your wiring diagram but without the serial number i could not get it done. Cub cadet rzt diagrams and manuals. After time, the harness drops and comes in contact with the pulley which grinds through the coating and shorts out the circuit.

Cub cadet rzt zero turn mower parts. Free shipping on parts orders over $45. You can go there and look. Through the thousand pictures online regarding cub cadet rzt 50 parts diagram, we all picks the very best libraries using ideal resolution simply for you all, and now this photos is usually among graphics choices in this very best images gallery regarding cub cadet rzt 50 parts diagram.i am hoping you might want it. Cub cadet rzt 50 wiring diagram ~ thanks for.

Cub Cadet Rzt Sx 46 Kh Zero Turn Mower Cub Cadet Us
Cub Cadet Rzt Sx 46 Kh Zero Turn Mower Cub Cadet Us from www.cubcadet.com
It contains directions and diagrams for various varieties of wiring techniques and other items like lights, windows, and so forth. This kind of image (rzt 50 engine wiring connector cub cadet rzt 50 manual. Through the thousand pictures online regarding cub cadet rzt 50 parts diagram, we all picks the very best libraries using ideal resolution simply for you all, and now this photos is usually among graphics choices in this very best images gallery regarding cub cadet rzt 50 parts diagram.i am hoping you might want it. Cub cadet rzt 50 wiring diagram ~ thanks for visiting our site, this is images about cub cadet rzt 50 wiring diagram posted by ella brouillard in cub category on nov 15, you can also find other images like wiring diagram, parts diagram, replacement parts, electrical diagram, repair manuals, engine diagram, engine scheme, wiring harness, fuse. Repair your cub cadet wire, receptacle & wire connector for less. Factor direct from cub cadet. Clicking this will make more experts see the question and we will remind you when it gets answered. Cub cadet rzt 22 wiring harness 17aa5a7p712 | ebay from i.ebayimg.com owners manual for 2012 chevy impala ls compiled an cub cadet rzt 50.

Cub cadet rzt 50 wiring diagram.

Repair your cub cadet wire, receptacle & wire connector for less. It contains directions and diagrams for various varieties of wiring techniques and other items like lights, windows, and so forth. Cub cadet rzt 50 wiring diagram. Each part should be placed and linked to different parts in particular way. You can go there and look. Otherwise, the structure won't function as it ought to be. Wire harness for the pto on the rzt's is designed dangerously near the drive pulley. Cub cadet rzt diagrams and manuals. Clicking this will make more experts see the question and we will remind you when it gets answered. Through the thousand pictures online regarding cub cadet rzt 50 parts diagram, we all picks the very best libraries using ideal resolution simply for you all, and now this photos is usually among graphics choices in this very best images gallery regarding cub cadet rzt 50 parts diagram.i am hoping you might want it. I have a troybilt mustang rzt 50 pto suddenly stopped engaging. In addition to these cub cadet spec sheets, you can also view a number of cub cadet manuals for some of the most popular cub cadet outdoor power equipment. I need the specs for all the wiring from the kolher command motor to the cub cadet look at the wiring color codes and their purpose in the briggs manual, compare to the wiring color codes and purpose for the kohler engine in manual, connect accordingly.

Posting Komentar

Lebih baru Lebih lama

Facebook